1. Jurnal [Kembali]
2. Alat dan Bahan
[Kembali]
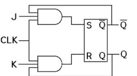
1. JK Flip Flop (74LS112)
JK Flip Flop merupakan flip flopyang dibangun berdasarkan pengembangan dari RS flip-flop. JK flip-flop sering diaplikasikan sebagai komponen dasar suatu counter atau pencacah naik (up counter) ataupun pencacah turun (down counter). JK flip flop dalam penyebutanya di dunia digital sering di tulis dengan simbol JK -FF. Dalam artikel yang sedikit ini akan diuraikan cara membangun sebuah JK flip-flop menggunakan komponen utama berupa RS flip-flop.
2. D Flip Flop (7474)
Power supply adalah komponen perangkat keras yang menyediakan listrik untuk menyalakan komputer dan perangkat lainnya . Ini mengubah arus listrik yang ditarik dari sumber listrik, seperti stopkontak, bateri atau generator, ke format yang benar dan meneruskannya ke perangkat
4. Switch
Switch merupakan sebuah komponen jaringan komputer yang berfungsi menghubungkan beberapa perangkat komputer supaya bisa melakukan pertukaran paket baik itu menerima, memproses serta meneruskan data menuju perangkat lainnya.
Logic probe atau logic tester adalah alat yang biasa digunakan untuk menganalisa dan mengecek status logika (High atau Low) yang keluar dari rangkaian digital
7. LED
LED merupakan kependekan dari Light Emitting Diode, yakni salah satu dari banyak jenis perangkat semikonduktor yang mengeluarkan cahaya ketika arus listrik melewatinya.Selain pencahayaan, LED juga merupakan bagian dari 7 segmen dalam jam dan pengatur waktu digital dan digunakan di remote control.
3. Rangkaian Simulasi [Kembali]
4. Prinsip Kerja Rangkaian [Kembali]
a. JK Flip Flop
JK Flip Flop adalah jenis Flip Flop yang menghindari kondisi terlarang pada RS Flip Flop. Prinsip kerja dari JK FF bisa kita lihat pada tabel kebenaran. Contoh nya untuk JK FF aktif low
Jika J=0, K=0, S=1, R=1, maka nilai Q dan Q' tidak berubah dari output sebelumnya
Jika J=1, K=1, S=1, R=1, maka nilai Q dan Q' kebalikan dari output sebelumnya (Toggle)
Jika J=0, K=1, S=1, R=1, maka nilai Q=0 dan Q'=1
Jika J=1, K=0, S=1, R=1, maka nilai Q=1 dan Q'=0
b. D Flip Flop
D FF adalah pengembangan dari RS FF, yang berfungsi menghindari kondisi larangan. Perbedaan D FF dengan RS FF adalah terletak pda salah satu kaki nya, yaitu R yang di beri inverter terlebih dahulu. Untuk prinsip kerjanya bisa di lihat pada tabel kebenaran
Jika D=0 maka Q=0, Q'=1
Jika D=1 maka Q=1 Q'=0
5. Vidio Rangkaian [Kembali]
Percobaan 1
1. Bagaimana jika B0 dan B1 sama sama diberi logika 0, apa yang terjadi pada rangkaian?
Jawab:
Karena JK FF pada percobaan ini adalah aktif low, maka ketika B0 dan B1 di beri input an 0, yang masuk ke R S, maka Q dan Q' akan berlogika 1, karena Set dan Reset nya aktif.
Pada kondisi ini J,K, D, dan Clock tidak akan memengaruhi nilai outputnya, karena sudah mencapai kondisi Set dan Reset
2. Bagaimana jika B3 diputuskan/tidak dibubungkan pada rangkaian apa yang terjadi pada rangkaian?
Jawab:
B3 merupakan inputan yang terhubung ke Clock, berrati jika memutus B3, sama halnya dengan memutus input an ke kaki Clock. Pada percobaan jika R dan S diberi input an berlogika 1, jika B3 diputusaan maka tidak akan terjadi perubahan pada outputnya. Baik nilai J ataupun K yang di ubah-ubah, tetap saja outputnya tidak akan berbeda.
3. Jelaskan apa yang dimaksud kondisi toggle, kondisi not change, dan kondisi terlarang pada Flip-Flop!
JAwab:
Kondisi Toggle adlah kondisi dimana output yang sekarang merupakan kebalikan dari output sebelumnya. Pada JK FF, kondisi toggle adalah kondisi saat input an R,S,J,K berlogika 1.
Kondisi not change adalh kondisi dimana output yang sekarang tidak berbeda dari output sebelumnya. pada JK FF aktif low, kondisi not change terjadi saat J dan K diberi input an 0, sedanhgkan R dan S berlogika 1
Kondisi Terlarang adalah kondisi pada RS FF, dimana saat Set dan Reset aktif, atau pada Aktif low kaki R dan S diberi logika 0.
7. Link Download
[Kembali]




Tidak ada komentar:
Posting Komentar